Conectare
Mărcile noastre
Bec Auto, LED Auto
Electricitate
Iluminat
Accesorii auto
Instrument
Acasă
Timp liber
Ofertă recomandată
Ofertă recomandată
Mărcile noastre
Help
TCG
Achiziție B2B
Comparație
Newsletter
Conectare
Filtrare
Comparație
0
Favoritele
Categorii de produse
Mărcile noastre
Osram
Ledvance
Eglo
Iluminat Globo
Rábalux
deLux
Stilo
Klausen
Schneider Electric
Legrand
Siemens
Eaton
GAO
Kanlux
Wago
Baks
Basor
Budvill
Cellpack
Celo
Csatári-Plast
Dehn
Efapel
Elko-Ep
Căutător
Ganz KK
Cu siguranță
Haupa
Hensel
Jokari
Kaiser Electric
Kiwa
Kopos
STÂLP LED
Bine în general
Obo
Philips
Phoenix Contact
Raychem
Rittal
Runpotec
SEZ
Simotrade
Skybox
Socomec
Tracon
Univolt
Weidmüller
Bec Auto, LED Auto
LED
Bec far
Indicator luminos
Iluminarea tabloului de bord
Lampă cu xenon
Lumini de zi, DRL
Bec de 24 volți
Bec pentru motocicletă
Lampă auxiliară LED
Far auxiliar cu LED, lumină de lucru
Lampă completă pentru faruri
Bandă indicatoare LED în oglindă
Set becuri de rezervă
Lumini LED de ambianță
Electricitate
Cablu și fir
Vezeték öszekötő
Întrerupător, priză
Întrerupător miniatural
Larynx
Tub de protecție
Automatizare
Distribuția energiei
Prelungitor, priză multiplă
Dulap electric și cutie de distribuție
Ajutoare pentru instalare
Ventilator extractor
Interfon, sonerie
Sistem de energie solară
Conector de cablu, bloc terminal
Încărcător pentru mașini electrice
Iluminat
Sursă de lumină
Iluminatul casei
Lampă de exterior
Iluminat inteligent
Dezinfectarea
Iluminatul garajelor și atelierelor
Iluminatul rutier și stradal
Iluminatul holului
Iluminat de urgență
Accesorii auto
Încărcător USB pentru brichetă
Încărcător baterie
Cablu pentru pornirea mașinii
Baterie de pornire pentru mașină
Compresor auto, sigilant pentru anvelope
Invertor
Cameră video pentru bordul mașinii
Încărcător și cablu pentru mașini electrice
Accesorii auto suplimentare
Instrument
Lampă de lucru
Depozitare unelte
Unelte manuale
Echipament de protecție la locul de muncă
Set de scule
Accesoriu pentru scule
Măsurare
Spray
Bandă adezivă
Scara
Toate instrumentele
Acasă
Bricolaj și asamblare
Mobilier
Alte aparate electrocasnice
Element
Economisirea energiei acasă
Încălzire, răcire, ventilație
Termometru
Stație meteorologică
Securitatea locuinței
Accesorii pentru calculatoare
Încărcător USB pentru priză
Timp liber
Bicicletă
Camping, drumeții
Ofertă recomandată
Profitați cât puteți!
Reflectează asupra calității!
Produse cu ambalaj deteriorat
Produs cu defecte cosmetice
Cumpărături în Sylvania
Ofertă recomandată
Mărcile noastre
Help
TCG
Achiziție B2B
Comparație
Newsletter
Produs nou
Wago NOU
Va ajunge la tine: 4-7 zile lucrătoare
1 / 2 Poză
Produs nou
Wago NOU
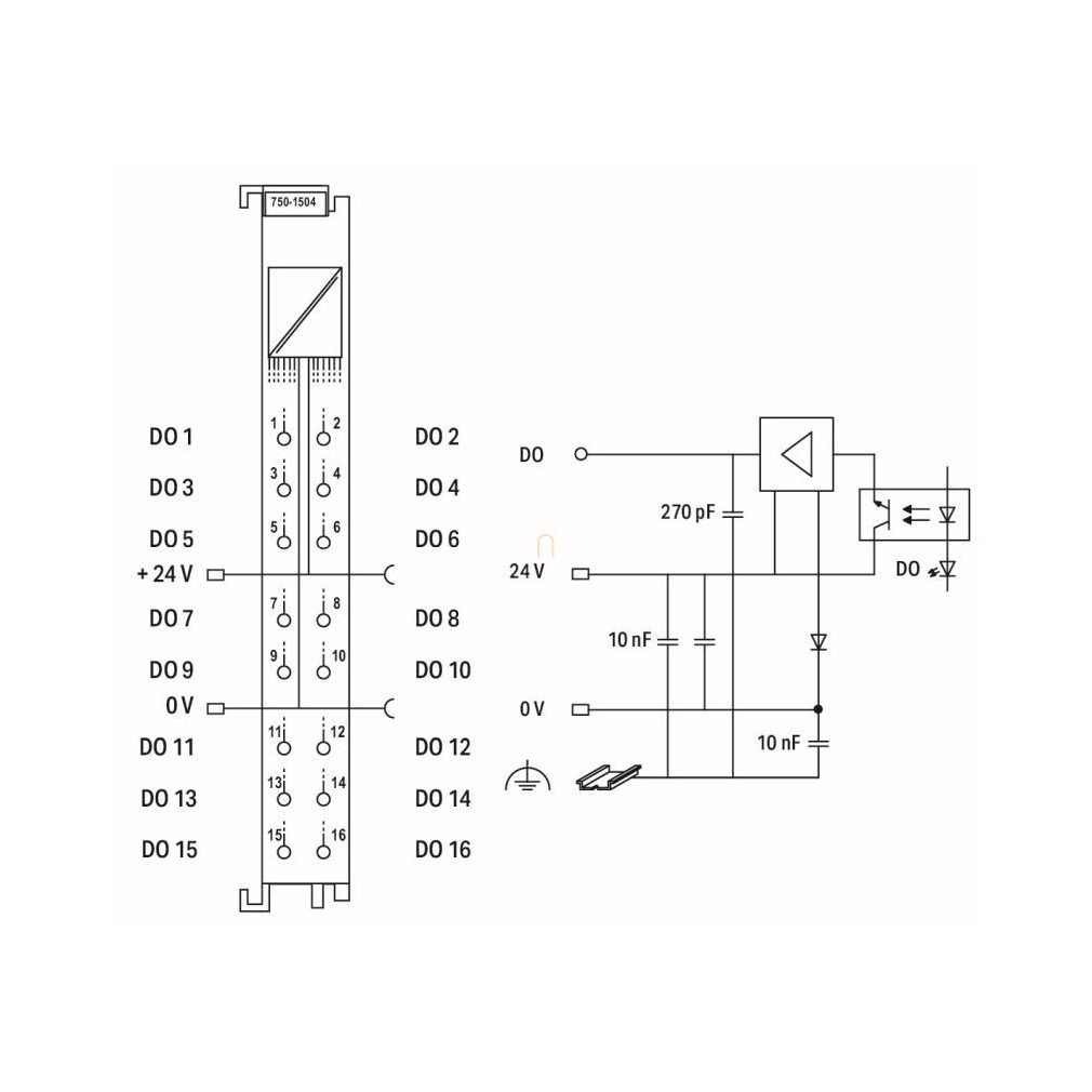
WAGO 750-1504 Ieșire digitală cu 16 canale 24 VCC 0,5 A
1 054,12
RON
Va ajunge la tine: 4-7 zile lucrătoare
Adaugă în coș
Din stoc extern, livrabil până la 4-7 zile lucrătoare: 6 bucată.
Îți trimitem un e-mail când produsul va fi la un preț redus?
Fă click aici pentru a activa urmărirea prețului!
Dorești reducere?
Ai întrebări?
Favorit
Compară
Dorești reducere?
WAGO 750-1504 Ieșire digitală cu 16 canale 24 VCC 0,5 A
Acest modul de ieșire digitală are 16 canale și o lățime de numai 12 mm (0,47 inci).
Acesta transmite semnale de control binare de la dispozitivul de automatizare către actuatoarele conectate (de exemplu, electrovalve, contactoare, transmițătoare de semnal, relee și alte sarcini electrice).
Modulul dispune de tehnologia de conectare Push-in CAGE CLAMP®, care permite conectarea firelor solide la unitate prin simpla apăsare a acestora.
Un LED verde indică starea fiecărui canal.
Nivelurile de câmp și de sistem sunt izolate electric.
Pentru a elibera conexiunea Push-in CAGE CLAMP® este necesar un instrument de operare (210-719) cu o lamă de 2,5 mm.
Date
EAN prezentat
4045454905576
Numele producătorului
WAGO HUNGÁRIA Kft.
Adresa producătorului
Magyarország, 2040 Budaörs, Office Park, Szabadság út 117. C. ép. 3. emelet
Informații de contact ale producătorului
info.hu@wago.com
Gyártó/Márka
Wago
Greutate
50 g/bucată
Numar articol
4045454905576
Adauga in cos
Cere cele mai bune oferte prin e-mail
și
îți oferim un pachet cu vouchere!
Aboneaza-te
Mă uit la produse
Setări cookie
Pagina noastră folosește cookie-uri, conform
Politicii de confidențialitate
, care nu sunt capabile de a identifica date personale.
Bine